
Optimizing Parallel Pump Systems for Maximum Energy Efficiency
Industrial facilities can achieve substantial energy savings through intelligent parallel pump optimization. This approach determines the ideal number and operating speeds for parallel pumps based on real-time flow and head requirements. While developed for solar thermal plants, the methodology applies to various applications including water distribution and ventilation systems.
Strategic Advantages of Parallel Pump Systems
Using multiple smaller pumps instead of one large unit offers significant benefits. System reliability improves through redundancy. Energy consumption decreases by operating only necessary pumps. Maintenance flexibility increases with available spares. Furthermore, standard-sized pumps typically cost less than custom large units.
Variable speed drives provide substantial advantages over traditional throttling methods. They adjust flow rates precisely while minimizing energy waste. This approach proves particularly valuable in applications with fluctuating demand patterns.
Solar Thermal Application Case Study
The Plataforma Solar de Almeria research facility demonstrates practical implementation. Their parabolic trough collectors concentrate solar energy to heat thermal oil to 400°C. This heated oil generates steam for power turbines. As solar conditions change throughout the day, flow requirements vary significantly.

Figure 1: Parabolic trough collectors at the Plataforma Solar de Almeria facility.
Commercial-scale facilities face greater complexity. Large installations may contain over 100 parallel collection lines. The research simulation models 15 lines with 5 parallel pumps, representing scaled-up operational challenges.
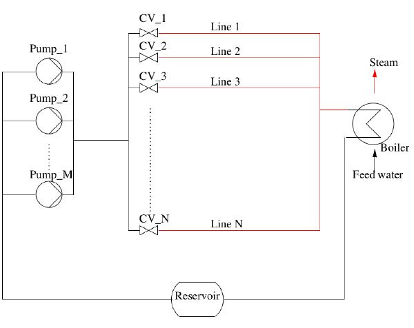
System Configuration and Control Strategy
The optimized system maintains precise temperature control while minimizing energy consumption. Each collection line features individual control valves. The most efficient line operates with its valve fully open. Remaining valves adjust to achieve temperature targets. Variable speed drives coordinate pump operation to meet total system requirements.

Figure 2: Schematic diagram of scaled-up parabolic trough collector facility.
Pump Performance Modeling
Accurate pump modeling forms the foundation for optimization. Pump curves follow established hydraulic relationships. The similarity laws govern how performance scales with speed changes. These mathematical relationships enable precise prediction of pump behavior under varying conditions.

Figure 3: Pump performance characteristics across operating ranges.
Efficiency modeling reveals how pump and drive performance varies with operating conditions. Power consumption calculations combine flow rate, head pressure, and efficiency factors. These models enable accurate energy consumption predictions.
Variable Speed Versus Throttling Comparison
Variable speed control demonstrates clear energy advantages. When reducing flow from 150 m³/hr to 50 m³/hr, throttling consumes 19.7 kW. Variable speed adjustment drops power consumption to 2.1 kW. This represents approximately 90% energy reduction for the same flow reduction.
The efficiency improvement stems from reduced system head requirements. Variable speed drives match pump output precisely to system needs. Throttling valves create artificial resistance, wasting energy through friction losses.
Optimization Methodology
The optimization process evaluates all possible pump combinations. For each potential number of operating pumps, the algorithm calculates required speeds. It then determines which configuration minimizes total power consumption while meeting system requirements.
The solution considers practical operating constraints. Pump speeds must remain within manufacturer specifications. The system must maintain adequate pressure margins. All operational pumps should operate near their best efficiency points.
Operational Results and Energy Savings
Implementation demonstrates significant performance improvements. During typical operation, the system operates with only one pump active for most daylight hours. This represents substantial energy savings compared to running all pumps continuously.

Figure 4: Temperature and irradiance profiles during daily operation.
Power consumption follows irradiance patterns closely. Since pressure drop relates to flow rate squared, and power relates to flow cubed, power requirements drop rapidly after peak irradiance. The optimization achieves 3.4% energy savings during half of each operating day.
Additional Operational Benefits
Reduced pump operation decreases mechanical wear. Components experience fewer operating hours and fewer start-stop cycles. Maintenance schedules can be optimized around pump usage patterns. System reliability improves through balanced utilization.
Operators gain flexibility in maintenance planning. Spare pumps remain available during routine maintenance. The system continues operating during individual pump servicing. This approach maximizes facility uptime and production reliability.
Implementation Recommendations
Successful implementation requires accurate pump performance data. Manufacturers’ curves should be verified through operational testing. Control systems need proper calibration for precise speed control. Regular maintenance ensures continued optimal performance.
System design should incorporate adequate instrumentation. Flow meters, pressure transmitters, and temperature sensors provide essential data. Modern PLC systems can execute optimization algorithms efficiently. Integration with broader automation systems enables comprehensive energy management.
Frequently Asked Questions
What industries benefit from parallel pump optimization?
Water treatment, HVAC systems, industrial cooling, and chemical processing all achieve significant savings through parallel pump optimization strategies.
How much energy savings can typically be achieved?
Properly optimized systems typically reduce pumping energy consumption by 20-40% compared to conventional fixed-speed operation.
What control systems are required for implementation?
Modern PLC systems with variable frequency drive integration can implement these optimization strategies effectively.
How does system reliability improve?
Multiple pumps provide built-in redundancy. If one pump fails, others can maintain partial operation while repairs are completed.
What are the main implementation challenges?
Accurate system modeling, proper sensor selection, and control system integration represent the primary implementation considerations.
Expert Commentary
Parallel pump optimization represents a mature technology with proven benefits. The combination of variable speed drives and intelligent control delivers rapid return on investment. Modern industrial automation platforms make implementation increasingly accessible. Companies should consider this approach during both new construction and facility upgrades.
The methodology demonstrates how industrial automation and energy management converge. As energy costs increase and sustainability requirements tighten, such optimization strategies become essential for competitive operation.


